• Injection - Circuit réaspiration des gaz

SH10 - Injection - Circuit réaspiration des gaz

0,00 €
TTC

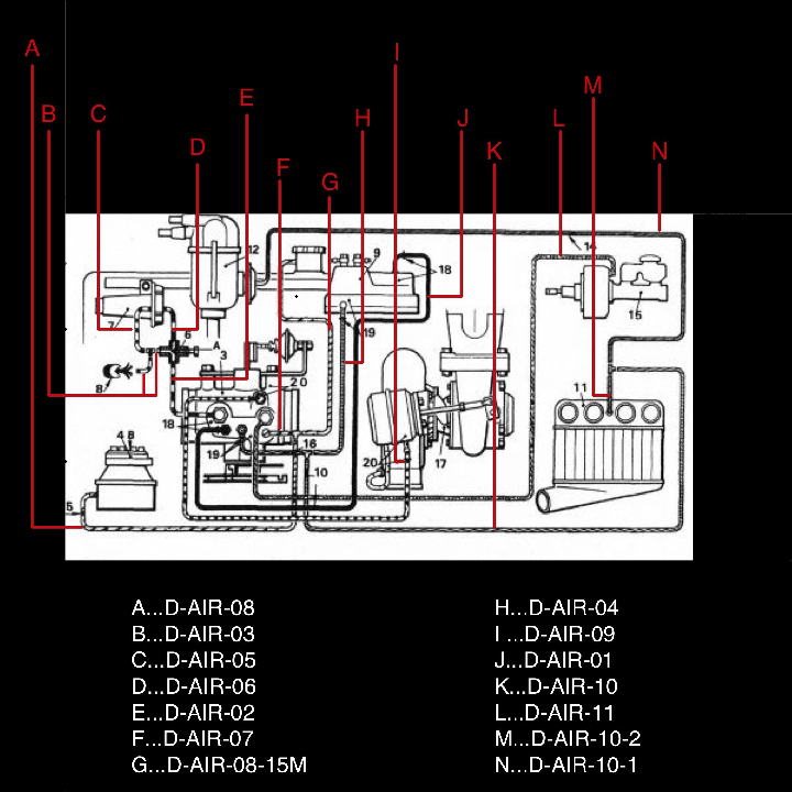
Injection : circuit réaspiration des gaz et branchement des tuyauteries sur le boitier du papillon des gaz.

Attention ce circuit comporte deux variantes. Référez vous à la variante qui correspond à votre montage avant de commander.

En attente de réapprovisionnement

  Pas de paiement en ligne

Paiement par chèque ou virement à la validation de la commande

  • Référence
    SH10
  • État
    Neuf

Vous aimerez aussi

Commentaires (0)

Aucun avis n'a été publié pour le moment.
Chargement...